UV21系列精智型变频器

  • 产品组合图 .png
  • UV21系列精智型变频器图片1.png
  • UV21系列精智型变频器图片2.png
  • UV21系列精智型变频器图片3.png
  • 产品组合图 .png
  • UV21系列精智型变频器图片1.png
  • UV21系列精智型变频器图片2.png
  • UV21系列精智型变频器图片3.png
  • 型号:UV21系列精智型变频器

    订货号:UV21
    UV21精智型变频系列,紧凑外观设计、精巧实用,多达四种控制方式,具有高达200%过载能力,可广泛应用于各种异步电机的调速控制。产品依托32位MCu,采用国际领先的矢量控制算法,实现高性能、高精度的电机驱动控制,在提高产品的可靠性和环境的适应性同时,强化了客户易用性和行业专业化的设计,功能更优化、应用更灵活、性能更稳定。
  • 产品参数
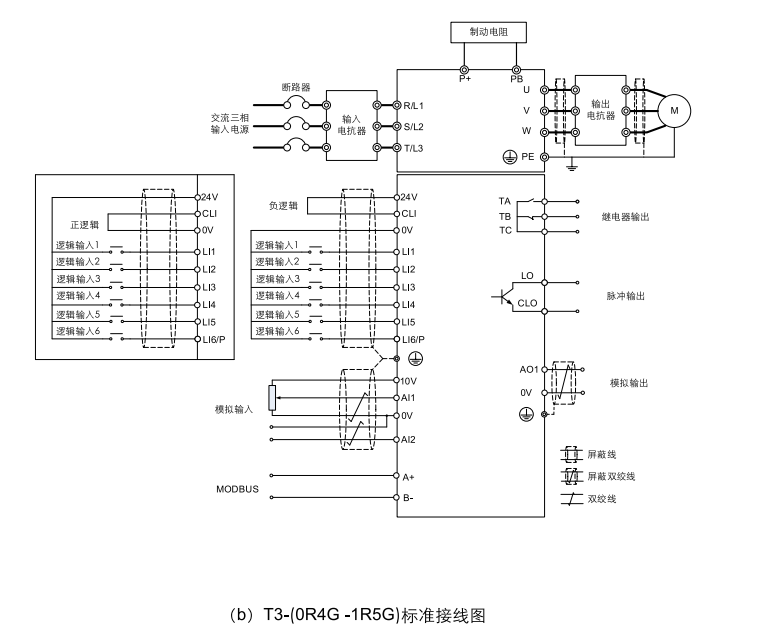
  • 接线图
  • 资料下载
  • 尺寸图
  • 选型表
    供电 变频器型号 G型机(重载) P型机(轻载) 外形尺寸(mm) 安装尺寸(mm)
    额定输入电流(A) 额定输出电流(A) 适配电机(kW) 额定输入电流(A) 额定输出电流(A) 适配电机(kW) H W D H1 W1 孔径
    单相
    220VAC
    UV21-S2-0R4 6.3 2.5 0.4 - - - 170 81 142 161 64.5 Φ5
    UV21-S2-0R7 11.5 5 0.75 - - -
    UV21-S2-1R5 15.7 7 1.5 - - -
    UV21-S2-2R2 27 10 2.2 - - -
    三相
    380VAC
    UV21-T3-0R4G/0R7P 2.1 1.5 0.4 3.6 2.6 0.75 170 81 142 161 64.5 Φ5
    UV21-T3-0R7G/1R5P 3.6 2.6 0.75 6.4 4.1 1.5
    UV21-T3-1R5G/2R2P 6.4 4.1 1.5 8.7 5.5 2.2
    UV21-T3-2R2G/3P 8.7 5.5 2.2 10.9 6.9 3 145 107 160.4 135 95 Φ5
    UV21-T3-3G/4P 10.9 6.9 3 14 9.5 4
    UV21-T3-4G/5R5P 14 9.5 4 20.7 12.6 5.5 200 138 144.6 188 124 Φ5
    UV21-T3-5R5G/7R5P 20.7 12.6 5.5 26.5 18.5 7.5
    UV21-T3-7R5G/11P 26.5 18.5 7.5 36.6 25 11 232 153 169.8 220 139 Φ5
    UV21-T3-11G/15P 36.6 25 11 40 32 15
















    规格参数
    项目 说    明
    电源输入 额定电压 S2(单相220V级):单相交流,220V
    T3(三相400V级):三相交流,(380-480)V
    额定频率 50/60Hz ± 5%
    功率输出 输出电压 0-100%输入电压
    额定输出电流 依型号而不同,详见标准规格
    过载能力 150%额定输出电流60s,200%额定输出电流2s
    控制性能 控制方式 恒转矩V/f,二次方负载V/f,无PG矢量控制,节能模式
    频率设定方式 外部端子(包括逻辑多段速、模拟输入、UP/DOWN 给定、高速脉冲输入(部分功率))、键盘面板、串行通信
    命令给定方式 外部端子(即逻辑输入)、键盘面板、串行通信
    频率设定精度 键盘面板、UP/DOWN给定:0.1Hz
    模拟给定、串行通信:10bit(0.05Hz/50Hz)
    低频转矩 无PG V/f控制:150%额定转矩/3Hz
    无PG矢量控制:150%额定转矩/0.5Hz
    速度控制范围 无PGV/f控制 1:40
    无PG矢量控制 1:200
    速度控制精度 无PGV/f控制 ±2%
    无PG矢量控制 ±0.2%
    加减速时间 0-3200.0秒
    开关频率 1.5kHz~12kHz,可根据结温自动降低开关频率
    自带控制电源 输出电压 10VDC±5%(1路)
    24VDC±20%(1路)
    最大负载 10V:最大电流10mA,用于基准电位计
    24V:最大电流100mA,用于逻辑输入口
    模拟输入 数量 2路:AI1、AI2
    类型 直流电压 或 直流电流
    最大输入范围 AI1:0-5VDC,或0-10VDC,或0/4-20mADC
    AI2:0-10VDC,或PTC探头输入
    模拟输出 数量 S2 全部&T3-(0R4G -1R5G):1路,AO1;
    T3其他:2路,AO1、AO2
    类型 直流电压 或 直流电流
    最大输出范围 0-10VDC,或0/4-20mADC
    功能选择 输出频率、输出电流、速度给定、串行输出数据等多种功能
    逻辑输入 LI1~LI8 S2 全部&T3-(0R4G -1R5G):LI1~LI6/P;
    T3其他:LI1~LI8;
    0-24VDC 电源
    正逻辑、负逻辑可选,出厂默认为负逻辑
    正转、反转、运行、故障复位、多段速等多种功能可选
    强制有效输入 f309、f310 为强制有效输入,上电期间其配置功能一直有效
    逻辑输出 LO、CLO 逻辑输出或脉冲输出可选,出厂默认设置为逻辑输出
    继电器输出 TA、TB、TC S2 全部&T3-(0R4G -1R5G):TA、TB、TC;
    T1A、T1B、T1C T3其他:T1A-T1B-T1C、T2A-T2B-T2C;
    T2A、T2B、T2C TxA 常开,TxB 常闭,TxC 公共点
    触点容量:TxA-TxC:5A@250VAC,5A@30VDC
    TxB-TxC:3A@250VAC,3A@30VCD
    功能选择:故障、报警、设定频率到达等多种功能。
    通信接口  硬件接口协议 RS-485
    软件通信协议 Modbus
    结构 防护等级 IP20
    冷却方式 强制风冷
    环境 安装场所 室内
    工作温度 -10~40ºC 
    贮存温度 -20~60ºC
    湿度 95RH%以下(不得结露)
    海拔高度 1000m以下




  • 名称
    文件描述
    文件格式
    更新时间
    预览/下载
  • UV21变频器说明书
    UV21变频器说明书
    2026.03.25
  • UV21变频器选型手册
    UV21变频器选型手册
    2026.04.23
  • TOP

    业务咨询

    技术咨询

    技术咨询

    4000-300-890