| UV32 选型表 | ||||||||
| 变频器型号 | G型机(重载) | P型机(轻载) | 产品尺寸 | 安装尺寸 | ||||
| (三相380VAC) | 额定输入电流(A) | 额定输出电流(A) | 适配电机(kW) | 额定输入电流(A) | 额定输出电流(A) | 适配电机(kW) | (H*W*D mm) | (H1*W1 mm) |
| UV32-T3-0R7G/1R5P | 3.6 | 2.6 | 0.75 | 6.4 | 4.1 | 1.5 | 206*76.5*165 | 195*66.5 |
| UV32-T3-1R5G/2R2P | 6.4 | 4.1 | 1.5 | 8.7 | 5.5 | 2.2 | ||
| UV32-T3-2R2G/3P | 8.7 | 5.5 | 2.2 | 10.9 | 6.9 | 3 | ||
| UV32-T3-3G/4P | 10.9 | 6.9 | 3 | 14 | 9.5 | 4 | ||
| UV32-T3-4G/5R5P | 14 | 9.5 | 4 | 20.7 | 12.6 | 5.5 | 262*100*168 | 253*90 |
| UV32-T3-5R5G/7R5P | 20.7 | 12.6 | 5.5 | 26.5 | 18.5 | 7.5 | ||
| UV32-T3-7R5G/11P | 26.5 | 18.5 | 7.5 | 36.6 | 25 | 11 | ||
| UV32-T3-11G/15P | 36.6 | 25 | 11 | 40 | 32 | 15 | 340*118*214 | 341*106 |
| UV32-T3-15G/18R5P | 40 | 32 | 15 | 47 | 38 | 18.5 | ||
| UV32-T3-18R5G/22P | 47 | 38 | 18.5 | 56 | 45 | 22 | 335*200*195 | 321*140 |
| UV32-T3-22G/30P | 56 | 45 | 22 | 70 | 60 | 30 | ||
| UV32-T3-30G/37P | 70 | 60 | 30 | 80 | 75 | 37 | 410*260*214 | 396*180 |
| UV32-T3-37G/45P | 80 | 75 | 37 | 94 | 92 | 45 | ||
| UV32-T3-45G/55P | 94 | 92 | 45 | 128 | 115 | 55 | 520*288*236 | 500*200 |
| UV32-T3-55G/75P | 128 | 115 | 55 | 160 | 150 | 75 | 560*305*300 | 543*200 |
| UV32-T3-75G/90P | 160 | 150 | 75 | 190 | 180 | 90 | 600*310*310 | 583*240 |
| UV32-T3-90G/110P | 190 | 180 | 90 | 225 | 215 | 110 | ||
| UV32-T3-110G/132P | 225 | 215 | 110 | 265 | 260 | 132 | ||
| UV32-T3-132G/160P | 265 | 260 | 132 | 310 | 305 | 160 | 720*355*345 | 698*240 |
| UV32-T3-160G/185P | 310 | 305 | 160 | 355 | 350 | 185 | ||
| UV32-T3-185G/200P | 355 | 350 | 185 | 385 | 380 | 200 | ||
| UV32-T3-200G/220P | 385 | 380 | 200 | 430 | 425 | 220 | 920*480*390 | 898*320 |
| UV32-T3-220G/250P | 430 | 425 | 220 | 485 | 480 | 250 | ||
| UV32-T3-250G/280P | 485 | 480 | 250 | 545 | 530 | 280 | 1100*480*405 | 1078*320 |
| UV32-T3-280G/315P | 545 | 530 | 280 | 610 | 600 | 315 | ||
| UV32-T3-315G/355P | 610 | 600 | 315 | 665 | 650 | 355 | ||
| UV32-T3-355G | 665 | 650 | 355 | - | - | - | 1100*650*465 | 1060*350 |
| UV32-T3-400G | 785 | 725 | 400 | - | - | - | ||
| UV32-T3-500G | 890 | 860 | 500 | - | - | - | ||
| UV32-T3-560G | 950 | 950 | 560 | - | - | - | 2200*1100*800 | 943*665 |
| UV32-T3-630G | 1100 | 1100 | 630 | - | - | - | ||
| UV32-T3-710G | 1280 | 1280 | 710 | - | - | - | 2200*1400*800 | 1100*665 |
| UV32-T3-800G | 1380 | 1380 | 800 | - | - | - | ||
| 注:37KW及以下产品标配内置制动单元,45kW-185kW可选配内置制动单元,200kW-800kW可选配外置制动单元,订货时,如需配置制动单元,请在订单中进行备注。 | ||||||||
| 规格参数 | ||
| 项目 | 说 明 | |
| 电源输入 | 额定电压 | T3(三相380V级):三相交流,(380-480)V |
| 额定频率 | 50/60Hz ± 5% | |
| 功率输出 | 输出电压 | 0-100%输入电压 |
| 额定输出电流 | 依型号而不同,详见标准规格 | |
| 过载能力 | 150%额定输出电流60s,200%额定输出电流2s | |
| 控制性能 | 控制方式 | 恒转矩V/f,二次方负载V/f,无PG矢量控制,节能模式 |
| 频率设定方式 | 外部端子(包括逻辑多段速、模拟输入、UP/DOWN 给定)、键盘面板、串行通信 | |
| 命令给定方式 | 外部端子(即逻辑输入)、键盘面板、串行通信 | |
| 频率设定精度 | 键盘面板、UP/DOWN给定:0.1Hz | |
| 模拟给定、串行通信:10bit(0.05Hz/50Hz) | ||
| 低频转矩 | 无PG V/f控制:150%额定转矩/3Hz | |
| 无PG矢量控制:150%额定转矩/0.5Hz | ||
| 速度控制范围 | 无PGV/f控制 1:40 | |
| 无PG矢量控制 1:200 | ||
| 速度控制精度 | 无PGV/f控制 ±2% | |
| 无PG矢量控制 ±0.2% | ||
| 加减速时间 | 0-3200.0秒 | |
| 开关频率 | 1.5kHz~12kHz,可根据结温自动降低开关频率 | |
| 自带控制电源 | 输出电压 | 10VDC±5%(1路),24VDC±5%(1路) |
| 最大负载 | 10V:最大电流10mA,用于基准电位计 | |
| 24V:最大电流100mA,用于逻辑输入口 | ||
| 模拟输入 | 数量 | 2路:AI1、AI2 |
| 类型 | 直流电压 或 直流电流 | |
| 最大输入范围 | AI1:0-5VDC,或0-10VDC,或0/4-20mADC | |
| AI2:0-10VDC,或0/4-20mADC,或PTC探头输入 | ||
| 模拟输出 | 数量 | 2路:AO1、AO2 |
| 类型 | 直流电压 或 直流电流 | |
| 最大输出范围 | 0-10VDC,或0/4-20mADC | |
| 功能选择 | 输出频率、输出电流、速度给定、串行输出数据等多种功能 | |
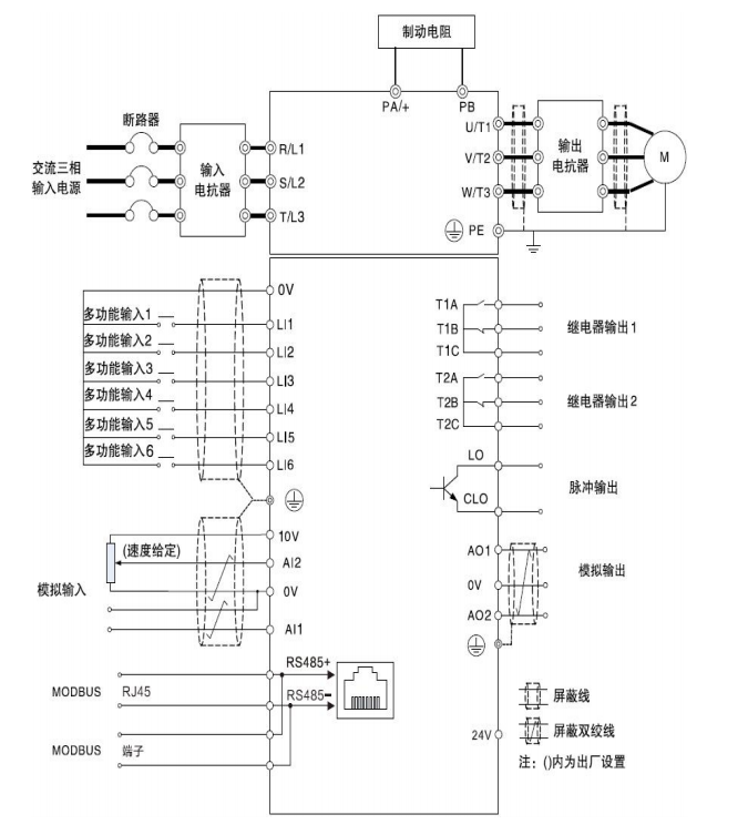
| 逻辑输入 | LI1~LI8 | 0-24VDC 电源,15KW及以下的变频器中仅有LI1-LI6 |
| 正向、反向、运行、故障复位、多段速等多种功能。 | ||
| 正转、反转、运行、故障复位、多段速等 69 种功能可选 | ||
| ≥18.5kW控制端子的LI6支持高速脉冲输入(50kHz) | ||
| AI1、AI2 | 15kW(含)以下的变频器中,AI1、AI2 可以设置为逻辑输入 | |
| 强制有效输入 | f309、f310 为强制有效输入,上电期间其配置功能一直有效 | |
| 逻辑输出 | LO、CLO | 正逻辑、负逻辑可选,出厂默认为负逻辑 |
| 逻辑输出或脉冲输出可选,出厂默认设置为逻辑输出 | ||
| 继电器输出 | T1A、T1B、T1C T2A、T2B、T2C | T1A 常开,T1B 常闭,T1C 公共点 |
| T3A、T3C | T2A 常开,T2B 常闭,T2C 公共点 | |
| T3A 常开,T3C 公共点 | ||
| 触点容量: | ||
| T1A-T1C/ T2A-T2C/T3A-T3C: 5A@250VAC,5A@30VDC | ||
| T1B-T1C/ T2B-T2C:3A@250VAC,3A@30VCD | ||
| 功能选择:故障、报警、设定频率到达等多种功能。 | ||
| 通信接口 | 硬件接口协议 | RS-485 |
| 软件通信协议 | Modbus | |
| 结构 | 防护等级 | IP20 |
| 冷却方式 | 强制风冷 | |
| 环境 | 安装场所 | 室内 |
| 工作温度 | 15kW(含)以下:-10~50ºC | |
| 18.5kW(含)以上:-10~40ºC | ||
| 贮存温度 | -20~60ºC | |
| 湿度 | 95RH%以下(不得结露) | |
| 海拔高度 | 1000m以下 | |